Замок врізний TESA 1-WAY DIN R201B LT UNIV BS50мм SP

Купуй більше – отримай додаткову знижку!
Роздрібна ціна з ПДВ (без вартості монтажу):
1 959,60 грн. з ПДВ
Артикул:
TES-R201B5SSL
Є в наявності
Кількість
Орієнтовна вартість послуги з монтажу (не входить в вартість товару):
від 600,00 грн.
Виробник:
TESA Іспанія
• Сторони замикання:
1-WAY
• Тип механізму замикання:
DIN
• Колір торцевої планки:
LT
• Колір фурнітури замка:
Без значення
• BackSet:
BS50мм
• Міжосьова відстань:
Без значення
Повний опис

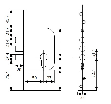
Потужний врізний додатковий замок для вхідних дверей.
Три сталевих круглих ригеля Ø14мм.
Довжина торцевої планки: 200мм
Бексет: 50 мм.
Довжина зворотної планки: 270мм
Обробка передньої планки: матова лакована латунь
Зворотна планка в комплекті