Замок врізний SANTOS 1-WAY DIN 257L-C NC UNIV BS60мм SP, Polybag

Купуй більше – отримай додаткову знижку!
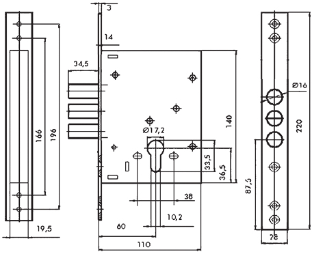
Фото Замок врізний SANTOS 1-WAY DIN 257L-C NC   UNIV BS60мм                 SP, Polybag   в інтернет-магазині locksmaster.com.ua
Переглянути відео
Роздрібна ціна з ПДВ (без вартості монтажу):
454,80 грн. з ПДВ
Артикул:
SNT-257L-C
Є в наявності
Кількість
Орієнтовна вартість послуги з монтажу (не входить в вартість товару):
від 600,00 грн.
Виробник:
SANTOS LOCKS
• Сторони замикання:
1-WAY
• Тип механізму замикання:
DIN
• Колір торцевої планки:
NC
• Сторонність:
UNIV
• BackSet:
BS60мм
• Міжосьова відстань:
Без значення
Повний опис

Додатковий  замок SANTOS 257L  економ-серії під циліндр типу DIN.
Сумісний із захисним протектором MUL-T-LOCK SL3 та протекторами DISEC.
BackSet 60 мм.
3 ригелі Ø 16 мм.
Вихід ригелів 34,5 мм.
Сторонність - універсальний (правий / лівий).
Торцева планка: обробка – нікель.
Комплектація: замок, зворотна планка, комплект кріплення

З цим товаром купують icon swipe
600,00 грн.
1 094,40 грн.
10 891,20 грн.