Замок врізний MUL-T-LOCK 3-WAY DIN CTFCB1032800A CR UNIV BS65мм 85мм L.O.G. w/o_SP

Купуй більше – отримай додаткову знижку!
Роздрібна ціна з ПДВ (без вартості монтажу):
6 670,80 грн. з ПДВ
Артикул:
ML2-CTFCB1032800A
Передзамовлення
Кількість
Орієнтовна вартість послуги з монтажу (не входить в вартість товару):
від 1 200,00 грн.
Виробник:
MUL-T-LOCK ITALY Італія
• Тип механізму замикання:
DIN
• Модель замка:
CTFCB1032800A
• Сторонність:
UNIV
• BackSet:
BS65мм
• Міжосьова відстань:
85мм
• Платформа:
Без значення
Повний опис

!!!!! СИСТЕМА БЛОКУВАННЯ МЕХАНІЗМУ ЗАМКА У ВИПАДКУ ВАНДАЛЬНОГО ЗЛАМУ ПРОТЕКТОРА L.O.G.- Lock Out Guardian !!!!!

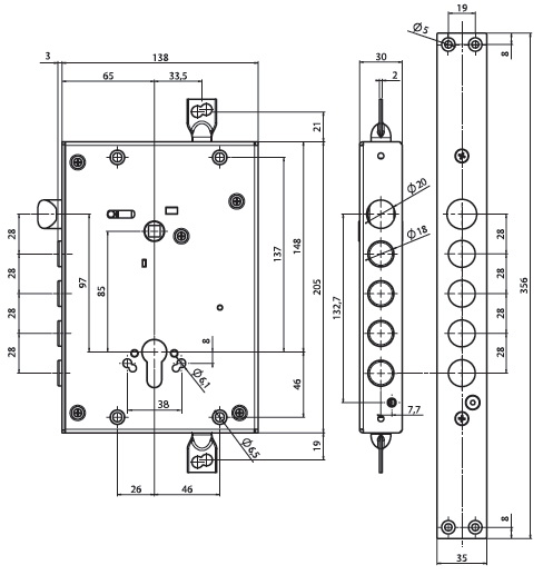
Основний замок 3-направленого замикання MUL-T-LOCK-ESETY CTFC під циліндр EuroDIN, CISA типу, з передньою планкою в комплекті.
«Тиха защіпка» - пластикова вставка в косому ригелі замка сприяє кращому ковзанню по зворотній планці та значно зменшує рівень шуму при зачинені дверей.
Сумісний із захисною фурнітурою ROSTEX Universal.
Mіжцентрова відстань 85 мм.
BackSet 65 мм.
4 сталеві ригелі Ø 18 мм, вихід 30 мм. Відстань між ригелями 28 мм.
Реверсивна заскочка з нержавіючої сталі.
Вихід вертикальних тяг 20 мм.  
Зворотна планка, тяги не постачаються