Замок ISEO для пасивної стулки врізний 212700654 9x9мм Zinc односторонній

Купуй більше – отримай додаткову знижку!
Роздрібна ціна з ПДВ (без вартості монтажу):
5 174,40 грн. з ПДВ
Артикул:
ISE-212700654
Є в наявності
Кількість
Орієнтовна вартість послуги з монтажу (не входить в вартість товару):
від 801,60 грн.
Виробник:
ISEO PROD Італія
• Призначення:
для пасивної стулки
• Тип монтажу:
врізний
• Модель:
212700654
• Кількість точок замикання:
Без значення
• Довжина ручки антипаніки:
Без значення
Повний опис

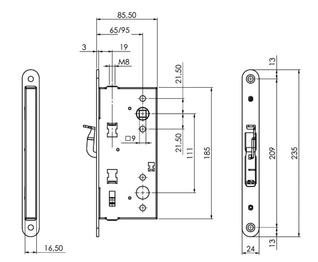
Замок врізний  ISEO 212700654 призначений для встановлення в пасивну стулку двостулкових дверей евакуаційних виходів разом з пристроями антипаніки врізного типу TESA 1970 та QUICK1E. Виконує функції контр-замка, розблокуючі пасивну стулку дверей  і штовхає защіпку основного замку в його корпус
Використовується з основними антипанічними замками TESA або ISEO (тільки з однією защипкою, без ригелів).
Замок не симетричний, не перевертається відносно горизонтальної осі.

Також виконує функцію швидкого шпінгалета. Тяги разом з цим замком є «швидким шпінгалетом» і надають можливість замикання пасивної стулки двостулкових дверей з можливістю швидкого розблокування в одній точці з торця полотна, при відкритій активної стулці дверей. Управління тягами здійснюється важелем розташованим в глибині передньої планки замку.
Передня планка замку є зворотною планкою для протипожежних симетричних замків в активній стулці дверей
Комплект дозволяє замкнути стулку висотою - 2350 мм. При висоті розташування замку - 1090 мм.
Backset – 65 мм.
Передняя планка: 235х24х3 мм.

З цим товаром купують icon swipe
296,40 грн.
8 140,80 грн.
2 316,00 грн.
788,40 грн.
9 015,60 грн.
945,60 грн.
1 026,00 грн.