096 000 0148
095 000 0148
093 000 0148
044 400 0148
0800 300 813
Замовити дзвінок
Кошик
0,00 грн.
0
Головна
Про мережу
Наші послуги
Новини
Блог
Контакти
Головна сторінка
Контроль доступу
Пристрої керування доступом
Автономні електронні замки
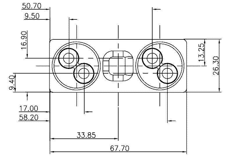
Зворотна планка KNOCK N'LOCK AS460 для замка SD460, з регулюванням
Зворотна планка KNOCK N'LOCK AS460 для замка SD460, з регулюванням
Купуй більше – отримай додаткову знижку!
Креслення
Роздрібна ціна з ПДВ (без вартості монтажу):
146,40 грн. з ПДВ
Артикул:
ELC-AS460
Є в наявності
Кількість
-
+
шт
Купити
Орієнтовна вартість послуги з монтажу (не входить в вартість товару):
від 0 грн.
Виробник:
KNOCK N`LOCK Ізраїль
• Тип товару:
Зворотна планка
• Бренд продукту:
KNOCK N'LOCK
• Модель:
AS460
Повний опис
Зворотна планка з регулюванням
Циліндри
Замки механічні
Фурнітура захисна
Дотягувачі. Завіси, останови, шпінгалети. Ущільнювачі
Контроль доступу
Протиугінні системи
Декор та дизайн
Інструменти для майстрів
Ключі. Верстати. Обладнання сервісного центру
Двері
Сейфи приватні та офісні, шафи
Головна сторінка
Контроль доступу
Пристрої керування доступом
Автономні електронні замки
Зворотна планка KNOCK N'LOCK AS460 для замка SD460, з регулюванням
Зворотній дзвінок
Номер телефону:
*
Ім'я:
*
Каталог
Про мережу
Наші послуги
Новини
Блог
Контакти
< Назад
Циліндри
Замки механічні
Замки для вхідних та протипожежних дверей
Замки для профільних дверей
Системи антипаніки
Замки висячі
Замки авто/мото/вело
Замки для обладнання та сейфів
Замки для міжкімнатних дверей
Фурнітура захисна
Фурнітура захисна до дверей
Протектори захисні
Дотягувачі. Завіси, останови, шпінгалети. Ущільнювачі
Дотягувачі
Завіси, останови, шпінгалети
Ущільнювачі
Контроль доступу
Виконавчі елементи СКД
Защіпки електромеханічні
Замки електромеханічні
Замки електроригельні
Замки електромагнітні
Пристрої керування доступом
Замки для SMART HOME
Контролери, зчитувачі, програматори
Системи контролю ключів
Автономні електронні замки
Пристрої керування дверима
Електромагнітні утримувачі дверей
Автоматика дверна
Датчики сенсорні
Гостинність
Замки готельні
Сейфи готельні
Мінібари готельні
Аксесуари
МОНІТОРИНГ
GPS/GPRS МОНІТОРИНГ
ВІДЕОНАГЛЯД
БЕЗПЕКА ПРАЦІ
Протиугінні системи
Протиугінні замки
Електронні протиугінні пристрої
Декор та дизайн
Покриття. Ретушуючі маркери
Фурнітура дизайнерська
Інструменти для майстрів
Ключі. Верстати. Обладнання сервісного центру
Ключі. Брелоки. Пластикові вставки в ключі
Ключі та комплекти ключів
Пластикові/акрилові вставки
Електронні ключі та картки
Брелоки
Верстати. Сервісні частини
Верстати для нарізки ключів
Сервісні частини
Каталоги, брошури, буклети, листівки
Наліпки брендові
Банери, плакати, лайтбокси
Макети демонстраційні, Сувенірна продукція. Упаковка.
Двері та ущільнювачі
Сейфи приватні та офісні, шафи
Доставка та оплата
Гарантія
Повернення товару
info@locksmaster.com.ua